

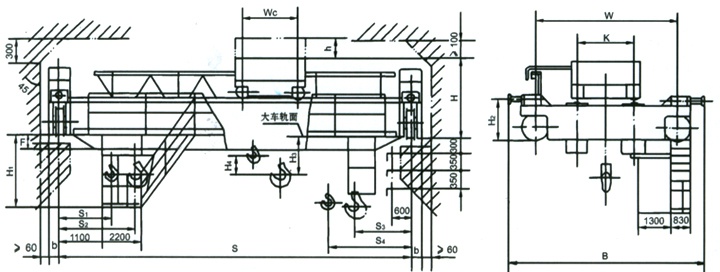
行车参数:
| 起重量 Lifting Weight | t | 16/3.2 | 20/5 | |||||||||||||||||||
| 跨度 Span | m | 10.5 | 13.5 | 16.5 | 19.5 | 22.5 | 25.5 | 28.5 | 31.5 | 10.5 | 13.5 | 16.5 | 19.5 | 22.5 | 25.5 | 28.5 | 31.5 | |||||
| *大起升高度 MaX.Lifting Height | 主 Primary | 16 | 12 | |||||||||||||||||||
| 副 Secondary | 18 | 14 | ||||||||||||||||||||
| 速度 Speed | 起升 Lift | 主 Primary | A5 | m/min | 7.9 | 7.2 | ||||||||||||||||
| A6 | 13 | 12.3 | ||||||||||||||||||||
| 副 Secondary | A5 | 19.7 | 19.7 | |||||||||||||||||||
| A6 | ||||||||||||||||||||||
| 小车运行 handcart travel | 44.6 | |||||||||||||||||||||
| 大车运行 Cart travel | A5 | 84.7 | 87.6 | 84.7 | 87.6 | |||||||||||||||||
| A6 | 112.5 | 101.4 | 112.5 | 101.4 | ||||||||||||||||||
| 电动机 Motor | 起升 Lift | 主 Primary | A5 | kw | TZR225M-8Z/26 | |||||||||||||||||
| A6 | YZR250M1-6/37 | YZR250M2-6/45 | ||||||||||||||||||||
| 副 Secondary | YZR160L-6Z/13 | YZR180L-6Z/17 | ||||||||||||||||||||
| 小车运行 handcart travel | YZR132M2-6/4 | |||||||||||||||||||||
| 大车运行 Cart travel | A5 | YZR160M1-6/6.3×2 | YZR160M2-6/7.5×2 | YZR160M1-6/6.3×2 | YZR160M2-6/7.5×2 | |||||||||||||||||
| A6 | YZR160M2-6/7.5×2 | YZR160L-6/11×2 | YZR160M2-6/7.5×2 | YZR160L-6/11×2 | ||||||||||||||||||
| 主要尺寸 (mm) Main Size | H | A5 | 2095 | 2185 | 2097 | 2187 | ||||||||||||||||
| A6 | 2095 | 2097 | 2185 | 2187 | 2097 | 2099 | 2189 | |||||||||||||||
| H1 | A5 | 2520 | 2550 | 2620 | 2768 | 2918 | 3068 | 3218 | 2520 | 2522 | 2552 | 2622 | 2770 | 2920 | 3070 | 3220 | ||||||
| A6 | 2520 | 2550 | 2620 | 2770 | 2920 | 3070 | 3220 | 2520 | 2524 | 2554 | 2624 | 2772 | 2922 | 3072 | 3222 | |||||||
| H2 | 850+Ho | 940+Ho | 850+Ho | 940+Ho | ||||||||||||||||||
| H3 | A5 | 729 | 639 | 701 | 611 | |||||||||||||||||
| A6 | 729 | 727 | 639 | 637 | 701 | 699 | 609 | |||||||||||||||
| H4 | 770 | 496 | ||||||||||||||||||||
| h | A5 | 720 | ||||||||||||||||||||
| A6 | 820 | |||||||||||||||||||||
| k | 2000 | |||||||||||||||||||||
| B | A5 | 5940 | 5944 | 6434 | 5940 | 5944 | 6434 | |||||||||||||||
| A6 | 6274 | 7004 | 6274 | 7004 | ||||||||||||||||||
| W | A5 | 4000 | 4100 | 5000 | 4000 | 4100 | 5000 | |||||||||||||||
| A6 | 4400 | 4400 | ||||||||||||||||||||
| WC | 2400 | |||||||||||||||||||||
| b | 230 | 260 | 230 | 260 | ||||||||||||||||||
| F | A5 | 80 | 180 | 240 | 388 | 538 | 688 | 838 | 80 | 82 | 182 | 242 | 390 | 540 | 690 | 840 | ||||||
| A6 | 80 | 180 | 240 | 390 | 540 | 690 | 840 | 80 | 84 | 184 | 244 | 392 | 542 | 692 | 842 | |||||||
| S1 | 1040 | 1030 | ||||||||||||||||||||
| S2 | 1850 | 1900 | ||||||||||||||||||||
| S3 | 1500 | 1450 | ||||||||||||||||||||
| S4 | 2310 | 2320 | ||||||||||||||||||||
| 重量 Weight | 小车 handcart | A5 | t | 6.227 | 6.856 | |||||||||||||||||
| A6 | 6.427 | 7.18 | ||||||||||||||||||||
| 总重 Total Weight | A5 | 19.2 | 21 | 23 | 27 | 30 | 34 | 38 | 41 | 20 | 22 | 24 | 29 | 32 | 37 | 40 | 43 | |||||
| A6 | 21 | 23 | 25 | 29 | 32 | 36 | 40 | 44 | 22 | 24 | 27 | 31 | 34 | 39 | 43 | 46 | ||||||
| *大轮压 Max.Wheel Pressure | A5 | t | 14.6 | 15.5 | 16.3 | 18.5 | 19.3 | 20.5 | 21.4 | 22.3 | 16.5 | 17.6 | 18.5 | 20.7 | 21.6 | 23.0 | 23.9 | 24.9 | ||||
| A6 | 15.5 | 16.4 | 17.3 | 19.4 | 20.3 | 21.4 | 22.3 | 23.2 | 17 | 18.8 | 19.9 | 22.1 | 23.3 | 24.3 | 25.5 | 26.5 | ||||||
| 荐用钢轨 Steel track | 43kg/m QU70 | |||||||||||||||||||||
| 电源 Power Supply | 三相交流 3-Phase A.C. 50Hz 380V | |||||||||||||||||||||
行车厂家及桥式起重机厂家为您介绍:
QD20/5吨吊钩双梁桥式起重机和QD16/3.2吨吊钩双梁桥式起重机:主要由箱形桥架、卷扬式起重小车(包含电机、减速机、卷筒、制动器等)、大车运行机构和电气控制系统组成,取物装置是吊钩。但是比欧式起重机的自重要重些,况且也不是变频调速。
主梁上面铺设有轨道,供起重小车沿主梁方向作横向移动。主梁与箱型端梁焊接而成,端梁中间布置有接头,螺栓或销轴连接,供桥架分拆运输。
此行车的操作方式设有地面手柄、无线遥控和司机室三种操作形式。驾驶室有开式、闭式两种,内有可调式座椅,底板铺设绝缘垫,窗玻璃采用钢化玻璃,可根据用户要求配置冷暖空调、讯响器、对讲机等物品。
起重机工作级别有慢速A3、常速A5、快速A6等。泵站用的也不少。





