行车厂家为您介绍:本行车的减速机需要定期换齿轮油,相比欧式起重机、而欧式桥式起重机的减速机就不需要换油、免维护,但是QD型双梁桥式起重机的成本低、销量大。
QD型32/5吨双梁吊钩桥式起重机属于传统型起重机,两个钩所吊货物总重不能大于32吨,主要由箱形桥架、起重卷扬式小车(主要包括卷筒、减速机、电机、制动器等)、大车运行机构和电气控制系统组成,取物装置是吊钩。俗称行车起重机。
主梁上面铺设有轨道,供起重小车沿主梁方向作横向移动。主梁与箱型端梁焊接而成,端梁中间布置有接头,螺栓或销轴连接,供桥架分拆运输。
本行车的操作方式设有地面手柄、无线遥控和司机室三种操作形式。驾驶室有开式、闭式两种,内有可调式座椅,底板铺设绝缘垫,窗玻璃采用钢化玻璃,可根据用户要求配置冷暖空调、讯响器、对讲机等物品。
起重机工作级别有A3、A5、A6、其中A3为慢速,适宜在环境温度-20℃~40℃,相对湿度不大于85%的工厂、仓库及货场等处作装卸吊运工作,禁止在易燃、易爆以及充满腐蚀性气体的环境中工作,否则必须使用防爆双梁桥式起重机。
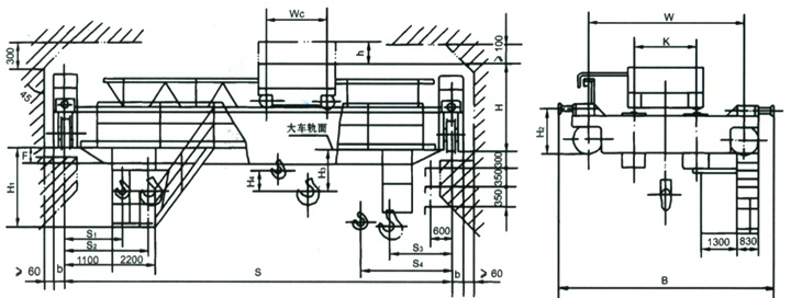
下面是行车的技术参数:

行车参数表:
| 量Lifting Weight | t | 32/5 | 50/10 | ||||||||||||||||||
| 跨度Span | m | 10.5 | 13.5 | 16.5 | 19.5 | 22.5 | 25.5 | 28.5 | 31.5 | 10.5 | 13.5 | 16.5 | 19.5 | 22.5 | 25.5 | 28.5 | 31.5 | ||||
| *大起升高度Max.Lifting Height | 主Primary | 16 | 12 | ||||||||||||||||||
| 副Secondary | 18 | 16 | |||||||||||||||||||
| 速度 speed | 起升Lift | 主Primary | A5 | m/min | 7.51 | 5.9 | |||||||||||||||
| A6 | 9.5 | 7.8 | |||||||||||||||||||
| 副Secondary | A5 | 19.7 | 13.2 | ||||||||||||||||||
| A6 | 19.7 | 13.2 | |||||||||||||||||||
| 小车运行handcart travel | 42.4 | 38.5 | |||||||||||||||||||
| 大车运行cart travel | A5 | 87.6 | 74.2 | 75.2 | 85.9 | ||||||||||||||||
| A6 | 101.4 | 101.8 | 85.5 | 87.3 | |||||||||||||||||
| 电动机 Motor | 起升Lift | 主Primary | A5 | kw | YZR280S-10Z/42 | YZR280M-10Z/55 | |||||||||||||||
| A6 | YZR280M-8/55 | YZR315S-8/75 | |||||||||||||||||||
| 副Secondary | YZR180-6Z/17 | YZR200L-6Z/26 | |||||||||||||||||||
| 小车运行handcart travel | YZR160M1-6/6.3 | YZR160M2-6/8.5 | |||||||||||||||||||
| 大车运行cart travel | A5 | YZR160M2-6/8.5×2 | YZR160L-6/13×2 | YZR180L-8/13×2 | |||||||||||||||||
| A6 | YZR160L-6/11×2 | YZR180L-8/11×2 | YZR200L-8/15×2 | ||||||||||||||||||
| 主要尺寸 (mm) Main Size | H | A5 | 2343 | 2345 | 2475 | 2726 | 2732 | ||||||||||||||
| A6 | 2343 | 2347 | 2477 | 2726 | 2728 | 2734 | |||||||||||||||
| H1 | A5 | 2580 | 2584 | 2614 | 2644 | 2794 | 2944 | 3094 | 3194 | 2531 | 2526 | 2532 | 2632 | 2782 | 2932 | 3082 | 3182 | ||||
| A6 | 2580 | 2586 | 2616 | 2646 | 2796 | 2946 | 3096 | 3196 | 2531 | 2528 | 2534 | 2634 | 2784 | 2934 | 3084 | 3184 | |||||
| H2 | A5 | 940+H0 | 1035+H0 | 1070+H0 | 1090+H0 | ||||||||||||||||
| A6 | 940+H0 | 1070+H0 | 1090+H0 | 1130+H0 | |||||||||||||||||
| H3 | A5 | 705 | 701 | 571 | 1020 | 1014 | |||||||||||||||
| A6 | 703 | 699 | 571 | 569 | 1020 | 1018 | 1012 | ||||||||||||||
| H4 | 790 | 948 | |||||||||||||||||||
| h | 820 | 675 | |||||||||||||||||||
| k | 2500 | ||||||||||||||||||||
| A5 | 6474 | 6620 | 6924 | 6724 | 6824 | 7144 | |||||||||||||||
| A6 | 6574 | 6744 | 7044 | 6944 | 7024 | ||||||||||||||||
| W | 4650 | 4700 | 5000 | 4800 | 5000 | ||||||||||||||||
| W | 2800 | 3580 | |||||||||||||||||||
| b | 260 | 300 | |||||||||||||||||||
| A5 | 90 | 94 | 244 | 264 | 414 | 564 | 714 | 814 | -79 | 96 | 102 | 252 | 402 | 552 | 702 | 802 | |||||
| A6 | 90 | 96 | 246 | 266 | 416 | 566 | 716 | 816 | -79 | 98 | 104 | 254 | 404 | 554 | 704 | 804 | |||||
| S1 | 1070 | 1005 | |||||||||||||||||||
| S2 | 2050 | 2200 | |||||||||||||||||||
| S3 | 1700 | 2000 | |||||||||||||||||||
| S4 | 2680 | 3195 | |||||||||||||||||||
| 重量 Weight | 小车handcart | A5 | t | 10.9 | 15.5 | ||||||||||||||||
| A6 | 11.7 | 16 | |||||||||||||||||||
| 总重Total Weight | A5 | 27 | 30 | 33 | 38 | 41 | 46 | 50 | 54 | 37 | 40 | 44 | 49 | 53 | 58 | 62 | 68 | ||||
| A6 | 28 | 31 | 35 | 40 | 43 | 48 | 52 | 56 | 40 | 43 | 48 | 52 | 56 | 62 | 67 | 72 | |||||
| *大轮压Max.Wheel Pressure | A5 | t | 24.8 | 26.4 | 27.8 | 30.1 | 31.1 | 33.1 | 34.4 | 35.4 | 36.5 | 39.9 | 42.0 | 43.0 | 45.6 | 47.4 | 48.7 | 50.3 | |||
| A6 | 26.4 | 28.2 | 29.6 | 31.0 | 32.4 | 34.0 | 35.0 | 36.4 | 37.9 | 40.3 | 42.5 | 44.4 | 46.0 | 47.8 | 49.2 | 50.8 | |||||
| 荐用钢轨Steel track | QU70 □90×90 | QU80 □100×100 | |||||||||||||||||||
| 电源Power Supply | 三相交流3-Phase A.C.50Hz,380V | ||||||||||||||||||||





